18 Compton Avenue, Luton, Bedfordshire, LU4 9AZ

Ref: Lot 22

Loading the bidding panel...

Registration Guide

Finance available on this property

Contact agent


Town & Country Property Auctions North West
Town & Country Property Auctions North West

Unconditional (Buyer's Premium)


UNCONDITIONAL LOT Buyers Premium Applies Upon the fall of the hammer, the Purchaser shall pay a 5% deposit and a 5%+VAT (subject to a minimum of £5,000+VAT) buyers premium and contracts are exchanged. The purchaser is legally bound to buy and the vendor is legally bound to sell the Property/Lot. The auction conditions require a full legal completion 28 days following the auction (unless otherwise stated).

Description

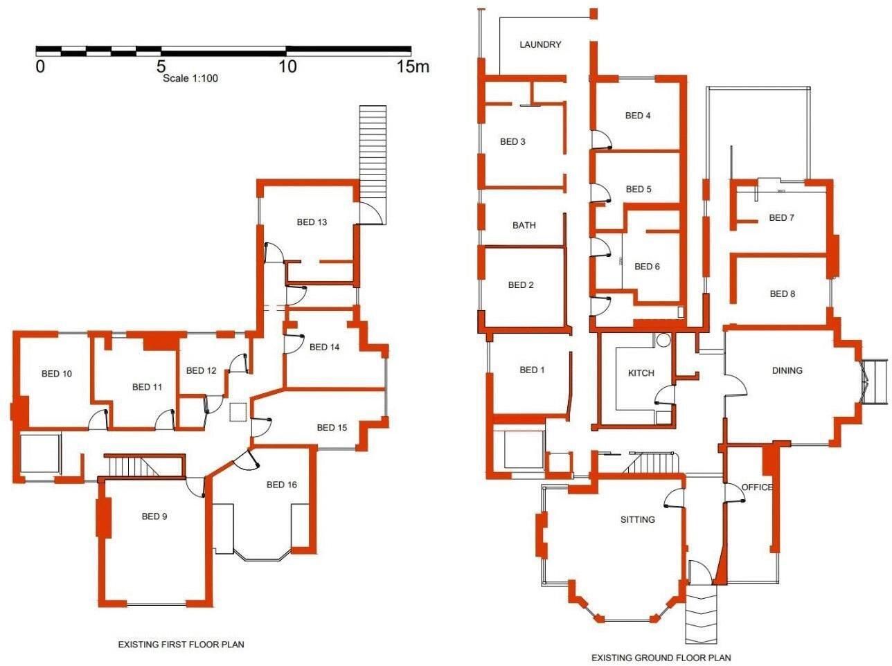
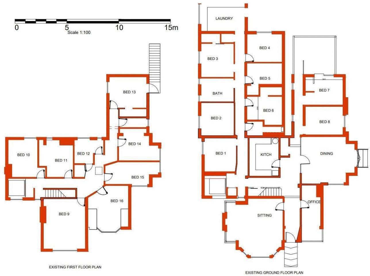
Presenting a rare opportunity to acquire a well-maintained property set on a large plot with generous forecourt space suitable for staff and visitor parking. The accommodation includes five bedrooms with private WC facilities and ten additional bedrooms served by shared toilet amenities.

The layout further provides an office, a communal lounge, a communal dining area and a fully equipped kitchen. Residents benefit from two communal showers on the ground floor and two more on the first floor, ensuring convenient access throughout the home. Externally, the property enjoys a spacious rear garden that offers a pleasant outdoor environment for relaxation, along with ample storage areas and extensive forecourt parking.

Compton Avenue is located off both Station Road and Grange Avenue in Leagrave LU4 and is perfectly situated for a short walk to Leagrave Station which is provides visitors acess from Luton to London in under an hour. The M1 Junction 11 is a few moments drive away and acts as a main thread to and from London and the North.

Overall, this is an excellent opportunity to acquire a sizeable and well-appointed care home in a desirable location.

Buyers Premium

* Plus 5% Buyers Premium + VAT

Pre Auction Offers Are Considered

The seller of this property may consider a pre-auction offer prior to the auction date.  All auction conditions will remain the same for pre-auction offers which include but are not limited to, the special auction conditions which can be viewed within the legal pack, the Buyer’s Premium, and the deposit.  To make a pre-auction offer we will require two forms of ID, proof of your ability to purchase the property and complete our auction registration processes online.  To find out more information or to make a pre-auction offer please contact us.

Special Conditions

Any additional costs will be listed in the Special Conditions within the legal pack and these costs will be payable on completion. The legal pack is available to download free of charge under the ‘LEGAL DOCUMENTS’.  Any stamp duty and/or government taxes are not included within the Special Conditions within the legal pack and all potential buyers must make their own investigations.


* The Guide Price given is an indication as to where the Reserve is currently set. The Reserve is the minimum price that the auctioneer is authorised by the vendor to sell the property for. It is subject to change throughout the marketing period. Where the Guide Price is a single figure, the current Reserve will not be more than 10% above that single figure, and where a price range is given (i.e. £50,000 - £55,000), the Reserve will not exceed the upper level of the range. It is not necessarily what the auctioneer expects it will sell for.

We would like to point out that all measurements, floor plans and photographs are for guidance purposes only (photographs may be taken with a wide angled/zoom lens), and dimensions, shapes and precise locations may differ to those set out in these sales particulars which are approximate and intended for guidance purposes only.

These particulars, whilst believed to be accurate are set out as a general outline only for guidance and do not constitute any part of an offer or contract. Intending purchasers should not rely on them as statements of representation of fact, but must satisfy themselves by inspection or otherwise as to their accuracy. No person in this firms' employment has the authority to make or give any representation or warranty in respect of the property.

Viewing: Due to the nature and condition of auction properties, the auctioneers highlight the potential risk that viewing such property carries and advise all to proceed with caution and take necessary requirements to ensure their own safety whist viewing any lots offered. Viewings are conducted entirely at the potential buyers own risk, these properties are not owned or controlled by Town & Country Property Auctions and the auctioneers will not be held liable for loss or injury caused while viewing or accessing the lot. Due to the nature of some auction properties, electricity may not be turned on, therefore viewing times are restricted. Viewers will need to bring their own lighting/ ladders if wanting to inspect cupboards, cellars and roof spaces. Some viewings are carried out by third party agents and we will endeavour to give appropriate notice should the published viewing time change. Town & Country Property Auctions will not be liable for any costs or losses incurred due to viewing cancellations or no shows.

All auctioneer fees and deposits stated are non-refundable. The deposit will be applied toward the final purchase price. Auctioneer fees, while not contributing to the purchase price, will still be included in the total chargeable consideration of the property when calculating Stamp Duty Land Tax, Land Transaction Tax, or Land and Buildings Transaction Tax (as applicable depending on whether the property is located in England, Wales, or Scotland).

Loading legal documents ...

Register for auction alerts

By subscribing here you agree to receive relevant emails, news and updates from Town & Country Property Auctions. You can unsubscribe at any time.

Register for auction alerts

Selling

No fuss, fast & free*

Town and Country offer a free selling service to a growing number of people choosing to sell their property quickly and easily through auction.

*Contact individual regions for cost

Buying

How to bid

Our buying at auction guide will help you throughout the process providing you with guidance to confidently secure your purchase.